SPR-804R SPR-804R

G2〜3世代対応シングルアームFPD搬送ロボットSPR-804R

Single Arm

先進後⼯程向けPLP搬送にも対応

先進後⼯程向けPLP搬送ロボットでの特⻑

FPD搬送ロボット 特⻑

  • 第2〜3世代FPD搬送シングルアームロボット
  • 先進後⼯程向けPLP搬送にも対応

先進後⼯程向け
PLP搬送ロボット 特⻑

  • 先進後工程向けで、ガラスパネル、樹脂パネルの搬送が可能
  • 高真空対応

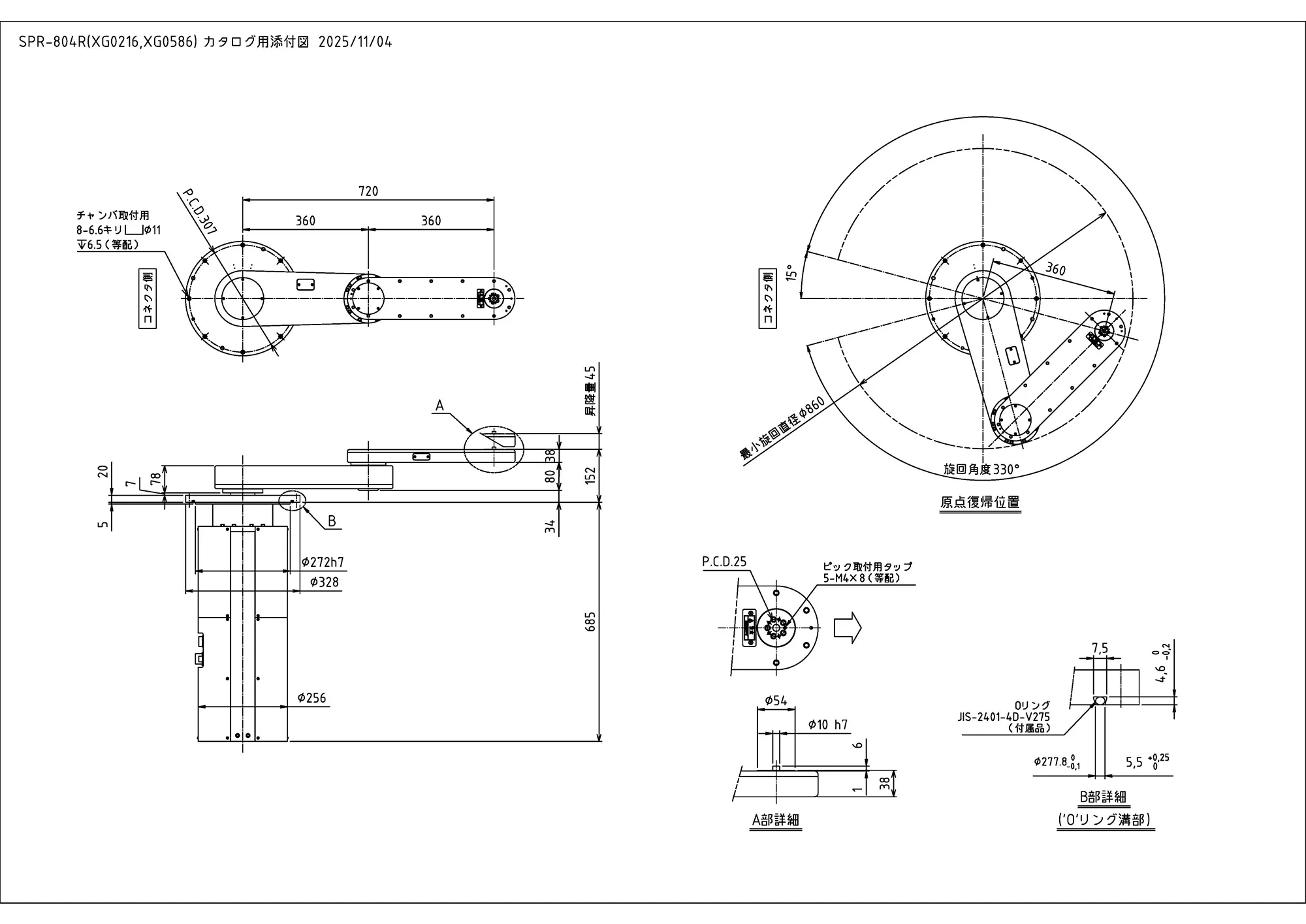
仕様*1

型式 Model SPR-804R
ロボット形状 Robot Type 3軸円筒座標型:3axis Cylindrical Coordinate
動作範囲
Operation Range
X-axis 1080mm
θ-axis 330°
Z-axis 45mm
動作時間
Cycle Time
X-axis 1.8sec/1080mm
θ-axis 1.4sec/180°
Z-axis 0.9sec/45mm
繰返し位置精度 Repeatability XYZ±0.2mm each
可搬質量 Payload 3kg(ハンド質量含む:including E/E)
クリーン度 Cleanliness ISO Class 4(ISO-14644)
本体質量 Mass 80kg
耐真空度 10-6 Pa
設置環境 Environment 温度 Temperature 5-40℃
湿度 Humidity 70% or less, No condensation

※1 オプションを付加した場合の搬送性能は標準と異なります。
※1 Transfer perfomance differs from the standard when options are added.

SPR-804R外径図

その他のクリーン搬送ロボット

PLP搬送ロボット(PLP先進後⼯程)

ウエハ搬送ロボット

ウエハアライナ

FPD(フラットパネルディスプレイ)搬送ロボット

ウエハ搬送ロボット製品⼀覧へ

Page top