SPR-8580 SPR-8580

G5~6世代対応ダブルアームFPD搬送ロボットSPR-8580

Double Arms

特長

  • 第5~6世代FPD搬送ダブルアームロボット
  • パネル製造用マスク搬送も可能な高可搬対応
  • 先進後工程向けPLP搬送にも対応

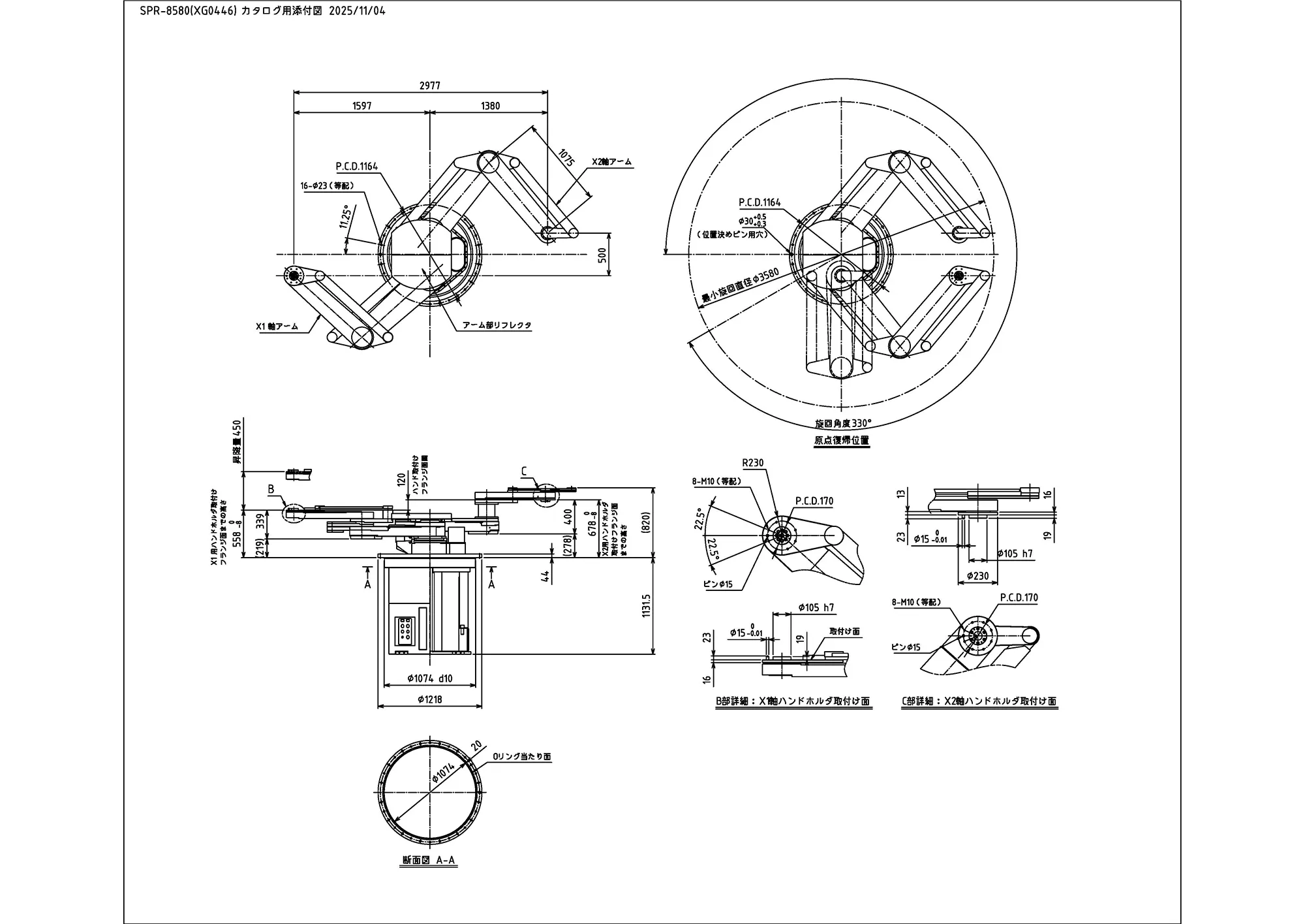
仕様*1

型式 Model SPR-8580
ロボット形状 Robot Type 4軸円筒座標型:4axis Cylindrical Coordinate
動作範囲
Operation Range
X1, X2-axis 2977mm
θ-axis 330°
Z-axis 450mm
動作時間
Cycle Time
X1, X2-axis 3.0sec/2977mm
θ-axis 3.2sec/180°
Z-axis 2.2sec/450mm
繰返し位置精度 Repeatability XYZ±0.3mm each
可搬質量 Payload 85kg(ハンド質量含む:including E/E)
本体質量 Mass 2900kg
耐真空度 10-6 Pa
設置環境 Environment 温度 Temperature 5-40℃
湿度 Humidity 70% or less, No condensation

※1 オプションを付加した場合の搬送性能は標準と異なります。
※1 Transfer perfomance differs from the standard when options are added.

SPR-8580 外径図

その他のクリーン搬送ロボット

PLP搬送ロボット(PLP先進後⼯程)

ウエハ搬送ロボット

ウエハアライナ

FPD(フラットパネルディスプレイ)搬送ロボット

ウエハ搬送ロボット製品⼀覧へ

Page top